Япония
- Обеспечивает быструю смену инструмента благодаря использованию двойного захвата.
- Сокращает вспомогательное время на закрытие/открытие дверей станка.
- Устраняет загрязнение цехового пространства масляным туманом.
FANUC LR Mate 200iD — высокоскоростной и компактный 6-осевой робот-манипулятор для комплексной автоматизации заточных станков.
КЛЮЧЕВЫЕ ВЫГОДЫ
▪︎ Компактность и гибкость монтажа: самый легкий робот в своем классе (25 кг). Установка на пол, стену, потолок или под углом для интеграции в любое рабочее пространство.
▪︎ Высокая скорость и точность: мощные сервоприводы и сверхжесткая конструкция руки гарантируют минимальное время цикла, плавное движение без вибраций и повышенную производительность.
▪︎ Готовность к сложным условиям: герметичные механические узлы (стандарт IP67) для стабильной работы.
▪︎ Простота интеграции: настройка манипулятора за считанные часы с интуитивно понятным ПО.
ОБЛАСТЬ ПРИМЕНЕНИЯ
Робот-манипулятор FANUC LR Mate 200iD предназначен для автоматизации процессов загрузки и выгрузки режущего инструмента на 5-осевых заточных станках с ЧПУ TA-5 и TG-5 (Тайвань). Роботизированная система оснащается двойным захватом для высокоскоростной смены инструмента и может комплектоваться специализированной станцией хранения.
Основные параметры системы:
▪ Диаметр инструмента: 3–16 мм (возможно до 20 мм)
▪ Длина инструмента: 35–150 мм
▪ Максимальный вес инструмента: 7 кг
Отличное решение для предприятий, которые стремятся повысить эффективность, скорость и стабильность процесса заточки инструмента.
|
Наименование |
Ед.изм. |
Значение |
|
Грузоподъемность робота |
кг |
7 |
|
Количество осей (cуставов) |
шт |
6 |
|
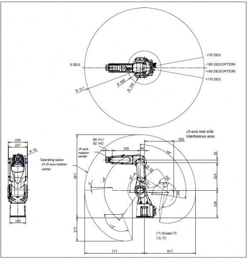
Площадь установки |
мм |
190x190 |
|
Повторяемость (точность) |
мм |
±0,01 |
|
Степень защиты корпуса |
– |
IP67 |
|
Максимальная досягаемость руки |
мм |
до 717 |
|
Углы по суставам (1,2,3,4,5,6) |
град |
360 / 245 / 420 / 380 / 250 / 720 |
|
Температура эксплуатации |
°С |
от 0 до 45 |
|
Среднее потребление |
Вт |
500 |
|
Масса робота |
кг |
25 |
|
Габариты в транспортировочном/нулевом положении (ДхШхВ) |
мм |
570х380х727 |
-
Манипулятор Fanuc LR Mate 200iD
-
Пульт управления Fanuc LR Mate 200iD
-
Шкаф управления Fanuc LR Mate 200iD
-
Встроенное программное обеспечение Fanuc LR Mate 200iD
-
Комплект кабелей
- Руководство по эксплуатации
Оставьте заявку
Перезвоним в течение рабочего дня. Обсудим задачи, найдем оптимальное решение и запланируем работы.
Будем на связи!

