Измеритальная рука
Англия
- Проводим пусконаладочные работы
- Гарантия 12 месяцев
- Новое оборудование от производителя
- Свой склад в Перми
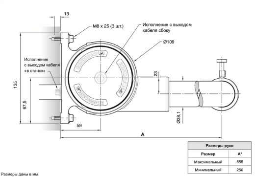
Рука HPPA представляет собой измерительную систему с неавтоматическим откидным рычагом, на который установлен контактный измерительный датчик. Эта система постоянно закреплена на токарном станке и может быть в любой момент использована для наладки инструмента с высокой точностью.
Запатентованное поворотное устройство обеспечивает фиксацию руки с высокой повторяемостью позиционирования. Никаких дополнительных устройств регулировки или фиксации при этом не требуется.
В дополнение к своим высоким характеристикам 3-34 рука HPPA занимает очень мало места на станке благодаря компактной конструкции.
Основные характеристики и преимущества
- Износостойкое поворотное устройство с длительным сроком службы.
- Держатель из специальной стали с низким коэффициентом теплового расширения.
- Использование на станке минимального пространства в нерабочем режиме.
- Постоянная сигнализация о состоянии системы с помощью двухцветного светодиодного индикатора.
- Наладка инструмента выполняется за время, которое может достигать значений на 90% меньше времени, затрачиваемого при использовании традиционных методов.
- Защита датчика в случае выхода за пределы перебега с помощью ломкого предохранителя щупа.
| Технические характеристики: | |||
| Исполнение | Стандартное с выходом кабеля «в станок» | Стандартное с выходом кабеля сбоку | |
| Основное назначение | Измерение размеров инструмента и обнаружение его поломки на двух- и трехкоординатных токарных станках с ЧПУ | ||
| Способ передачи сигнала | Проводная передача сигналов | ||
|
Датчик |
RP3 | ||
| Совместимые интерфейсы | TSI 2 или TSI 2-C | ||
|
Кабель (к интерфейсу) |
Характеристики | Ø5,9 мм, 5-жильный экранированный кабель, каждая жила (к-во проводов х диаметр): 42 × 0,1 мм | Ø4,0 мм, двухжильный экранированный кабель; каждая жила (к-во проводов х диаметр): 7 × 0,2 мм |
| Длина | 2 м, 5 м, 10 м | 7м | |
| Направление измерений | ±X, ±Y | ||
| Стандартная повторяемость позиционирования |
5,00 мкм (2σ) X/Z (руки для станков с патронами диаметром от 6 до 15 дюймов) 8,00 мкм (2σ) X/Z (руки для станков с патронами диаметром от 18 до 24 дюймов) |
||
| Угол качания руки | 90°/91° (если корпус датчика Renishaw не используется, то максимальный угол качания руки составляет 91°) | ||
| Класс защиты | IPX8 (EN/IEC 60529) | ||
| Монтаж | Болты M8, 3 шт. | ||
| Рабочая температура | От +5 °C до +60 °C | ||
При следующих условиях:
- Длина щупа: 22 мм
- Скорость перемещения щупа: 36 мм/мин
- Усилие срабатывания: заводская настройка
Оставьте заявку
Перезвоним в течение рабочего дня. Обсудим задачи, найдем оптимальное решение и запланируем работы.
Будем на связи!


